首页
关于跃中
2468顺发
新闻中心
在线订单
联系我们
EN
首页
关于跃中
2468顺发
新闻中心
在线订单
联系我们
ENGLISH
回转型阀门手动装置
当前位置:
首页
>>
2468顺发
>>
回转型阀门手动装置
产品分类
回转型阀门手动装置
部分回转型阀门电动装置
基座拐臂式齿轮箱
球型铰链机构
多回转型阀门手动装置
多回转型阀门电动装置
全回转型阀门手动装置
正齿轮减速箱
手轮尺寸
新产品
回转型阀门手动装置
部分回转型阀门电动装置
基座拐臂式齿轮箱
球型铰链机构
多回转型阀门手动装置
多回转型阀门电动装置
全回转型阀门手动装置
正齿轮减速箱
手轮尺寸
新产品
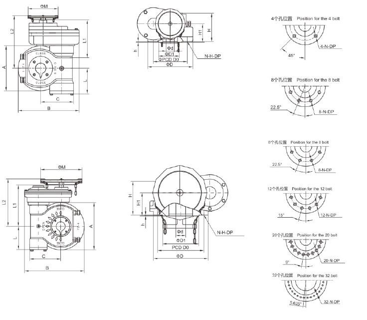
YZ-1S-L蜗轮箱
该系列是一款90°部分回转手动驱动装置。适用于球阀、蝶阀、旋塞阀等阀门。箱体采用精密铸造,样式新颖,外形美观。采用蜗轮蜗杆传动,蜗轮副自锁,使用圆锥滚子承轴,传动更加灵活,效率高。法兰全部采用IlSQ5211国际标准,与阀门配套更加方便。防护等级为IP65,特殊环境还可做到IP6B以及浸没模式。
咨询问价
联系我们
产品参数
上一个产品:
YZ-G蜗轮箱
下一个产品:
YZQ蜗轮箱
推荐产品
YZ-SS
YZQ
YZQ
YZQ
BA蜗轮箱
Copyright @ 2014
温州跃中机械科技有限公司
All Rights Reserved. 主营:
蜗轮箱,蜗轮头,伞齿轮,阀门执行器,阀门驱动
网站地图
技术支持:
联系电话
13567722902
联系电话
13957716282
联系邮箱
yuezhong@gearactuator.com
QQ
澳门灵蛇网4949-香港灵蛇网论坛资料大全最新-灵蛇网4846cc最新版本更新内容-灵蛇网4668cc-灵蛇澳门2025年今晚看
香港六玄开奖网-六玄网132432-六玄神马开奖44579-六玄公式6588777-六玄神马免费中特料-澳彩六玄网论坛6258cmcc
顺发2468 - 首页
灵蛇澳门2025年今晚看-灵蛇网4846cc-灵蛇网免费资料大全--灵蛇网4846cc最新版本更新内容-澳门灵蛇网4949
启航彩 - 首页
辉耀彩 - 首页