部分回转型阀门电动装置部分回转型阀门电动装置
当前位置:首页 >> 2468顺发 >> 部分回转型阀门电动装置
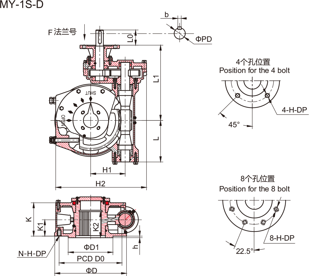
MY-1SD蜗轮箱

MY-1SD蜗轮箱

该系列是一款90°部分回转电动驱动装置。适用于球阀、蝶阀、旋塞阀、旋球阀等阀门。箱体采用精密铸造,样式新颖,外形美观。采用蜗轮蜗杆传动,蜗轮副自锁,使用圆锥滚子承轴,传动更加灵活,效率高。蜗轮材质可根据阀门开启次数以及电装转速选择(ASTM A5365-45-12,QA15,D2)等材料,蜗轮与阀门阀杆连接部分有实体和内置螺母两款供客户选择,法兰全部采用ISO5211国际标准,与阀门配套更加方便。还可根据客户需求订做基座式连接,便于风门使用。与电装对接部分可选择ISO5211,JB2920-81等连接形式。防护等级为IP65,特殊环境还可做到IP68。
产品参数

未标题-1.jpg

上一个产品:MY-D蜗轮箱

下一个产品:MY-1SD蜗轮箱

Copyright @ 2014 温州跃中机械科技有限公司 All Rights Reserved. 主营:蜗轮箱,蜗轮头,伞齿轮,阀门执行器,阀门驱动 网站地图 技术支持:
联系电话 13567722902
联系电话 13957716282
联系邮箱 yuezhong@gearactuator.com
QQ
澳门灵蛇网4949-香港灵蛇网论坛资料大全最新-灵蛇网4846cc最新版本更新内容-灵蛇网4668cc-灵蛇澳门2025年今晚看 香港六玄开奖网-六玄网132432-六玄神马开奖44579-六玄公式6588777-六玄神马免费中特料-澳彩六玄网论坛6258cmcc 顺发2468 - 首页 灵蛇澳门2025年今晚看-灵蛇网4846cc-灵蛇网免费资料大全--灵蛇网4846cc最新版本更新内容-澳门灵蛇网4949 启航彩 - 首页 辉耀彩 - 首页